--}}
Новая тема
Вы не можете создавать новые темы.
Т.к. вы неавторизованы на сайте. Пожалуйста назовите себя или зарегистрируйтесь.
Список тем

Микрофонный предусилитель

29
14
С друзьями на NN.RU
В социальных сетях
Поделиться
Ulbermann
20.10.2008
Здравствуйте!

Товарищи, необходимо собрать микрофонный предусилитель , для громкоговорящей связи(ГГС), чтобы чувствительность нормальная , без заводов там итд итп. В машину надо ГГС сделать. Посоветуйте какуинето простые надежные схемы. Какие вообще могут быть подводные камни в этом вопросе.

Спасибо!
Ulbermann
20.10.2008
Вобщем нужны мелкие габариты, качество не особо волнует. Те ламповый преамп не покатит
alex4
20.10.2008
Собрал недавно такой вариант для микрофонного входа звуковой карты компа.
Электретный микрофон с радиорынка, КТ3107 (или аналог) и несколько деталей обвязки. Вам возможно потребуется ещё подстроечный резистор на выходе. Схема требует питания 5..9В. Если нужно, нарисую графически.
Ulbermann
20.10.2008
Давай! Я думаю от 12В тоже заработает?
alex4
20.10.2008
Заработает и от 12В.
gramps вон тоже толковый усилок собрал.

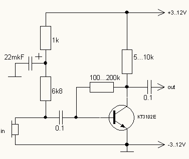
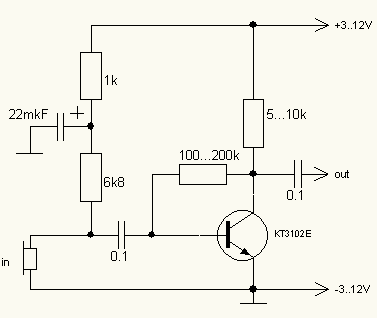
Только вот насчёт транзистора я промахнулся. Посмотрел - у меня n-p-n (3102). Схемка - в общих чертах где-то так... Копирайт - какой-то древний р\л журнал, уж не помню :-)

Микрофон очень желательно располагать ближе к схемке ПУ. А ещё лучше собрать ПУ прямо в одном корпусе с микрофоном и залить чем-нить, или обтянуть термоусадкой (что я и сделал).
gramps
20.10.2008
Гы! Я синей изолентой замотал и в коробку с мелкофоном запихал. Лет 10 как работает, я уж забыл где. :-)
ale-nn
20.10.2008
микрофон хоть какого типа. Питание какое.
Ulbermann
20.10.2008
Питание 12В, микрофон точно не угольный! Нувобщем стандартный микрофон Наверно электретный как выше написали. Я не особо разбираюсь в типах микрофонов :'(( Или подскажи как лучше.
galkin
20.10.2008
Для громкой связи не все так просто - а самовозбуждение?
Были конечно платы спикетфона на панасовской микросхеме в эпоху АОН-ов, но проще купить ГОТОВЫЙ комплект громкой связи для мобилы (дешевый проводной или подороже блютуф) и не париться.
Или же имели ввиду "матюгальник" ?
Ulbermann
20.10.2008
Не, именно микрофон. Матюгальник можно сказать есть.

Ну вот както делают громкую связь и с возбудом все ок. Значит все возможно. Ну если уж совсем фигня получится то придется купить, покупка это крайний вариант. Просто мне особо наовроты не нужны, просто нужно чтобы микрофон можно было использовать на удалении 50см. Помоему задача не сложная.
galkin
20.10.2008
Убрать самовозбуд ("свист") ОЧЕНЬ непростая задача.
В аналоговой технике обычно используют квазиполудуплекс (один говорит-другой молчит) или ставят DSP (как в панасонике, цифровых слуховых аппаратах).
gramps
20.10.2008
Для устранения самовозбудифилиса придумывают всякие хитрые схемы АРУ, но самое простое - ограничить чувствительность мелкофона и говорить в него поближе.
gramps
20.10.2008
Собирал для таких целей на куске макетки 40х15мм на маломощных n-p-n транзисторах (тип не важен - КТ315, 312, 3102) по схеме предусилителя от магнитофона "Романтик-306"( три транзистора с непосредственной связью). Очень стабильная схема (работает от 3 до 12 вольт) и допускает длинные провода на выходе без возбудифилиса (выход на эмиттерном повторителе с достаточно низким сопротивлением). Электретный микрофон подпаивал прямо к плате.
А вообще сейчас куча микросхем существуют, которые дадут необходимые параметры при минимуме навесок.
Worker73
21.10.2008
Мне больше нравится 538УН1, 538УН3
Новая тема
Вы не можете создавать новые темы.
Т.к. вы неавторизованы на сайте. Пожалуйста назовите себя или зарегистрируйтесь.
Список тем
Последние темы форумов
Форум Тема (Автор) Последний ответ Ответов
Сетевой фильтр APC Surge Arrest

Сетевой фильтр APC Surge Arrest для радиолюбителя.и не только Отправка в регионы после оплаты. ЦЕНА 3000 руб. В рабочем состоянии....
Цена: 3 000 руб.

Материнские платы на запчасти и не только

Материнские платы на запчасти и не только Материнские платы и другие комплектующие Отправка в регионы после оплаты. Транспортной...
Цена: 3 000 руб.

Игровой компьютер с монитором

i7 3770 palit gtx 1070 8gb 2ssd ( 120, 465 ) 1hdd ( 1tb ) бп - zalman zn500-gs2 монитор в комплекте
Цена: 25 000 руб.

Принтер лазерный HEWLETT PACKARD HP-6L

Принтер лазерный HEWLETT PACKARD HP-6L Отправка в регионы после оплаты. 3штуки БУ. Внешний вид из магазина простояли на складе...
Цена: 4 500 руб.