--}}
Новая тема
Вы не можете создавать новые темы.
Т.к. вы неавторизованы на сайте. Пожалуйста назовите себя или зарегистрируйтесь.
Список тем

Опишите мне, пожалуйста, часть схемы?

Нужен совет (поиск решения проблемы. не для купли-продажи)
19
54
С друзьями на NN.RU
В социальных сетях
Поделиться
Saradon
06.02.2015
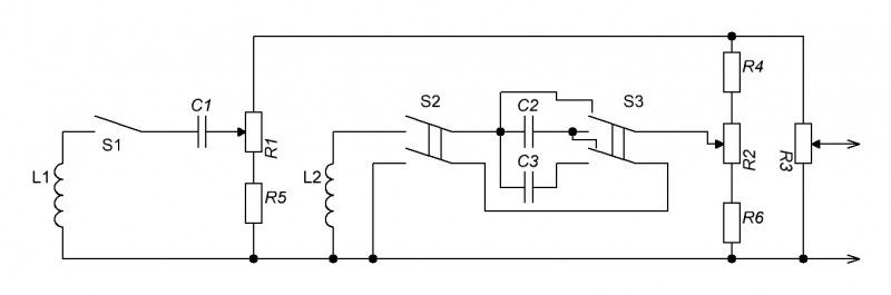
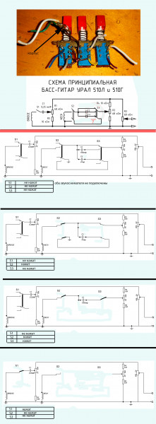
Вот эту -------->
Взялся восстановить, но никак не могу понять это место.
Слева три провода, справа два.
Что должно происходить при отжатой и при нажатой кнопке?
Спасибо.
semikov
06.02.2015
Кнопка одна, групп несколько? Не рассматривали такой вариант?
Там же не 3 разных кнопки?
Эмм.. Не знаком со схемотехникой электрогитар, но предположу следующее: не совсем ясно нарисовали переключатель S3 (упрощённо) - моё мнение, что "полная версия" должна выглядеть так, как я нарисовал: ------------------------>>>
В этом случае смысл S3 (при нажатой S2!) играет роль переключателя конденсаторов C2 и C3, включенных параллельно L2 - т.е. по сути меняет резонансную частоту параллельного LC-контура. Соответственно, при нажатой кнопке S2 вы получаете включенный в параллель контуру L1C1R1R5 ещё один контур L2C2(C3)R2R6. А там уже в зависимости от распространения волны в струне получаете разное распределение фаз в контурах от пробегающей по струне волны и, как следствие, различные музыкальные эффекты. Какие - да я ХЗ ;)
Как-то так...
Если есть кому что добавить - с удовольствием выслушаю :)
Saradon
06.02.2015
Ох не легко это для моего мозга...
Вот фото самих кнопок ------->
skiv68
06.02.2015
а кнопки без зависимой фиксации или с зависимой?
Saradon
06.02.2015
Без.
Каждая фиксируется самостоятельно.
Worker73
07.02.2015
Вот и ответ. Параллельно индуктивности вешается один из кондеров, либо кондер не вешается (3 кнопка). Получается колебательный контур на разную частоту.
:) Надеюсь, так будет понятнее - подписал, куда идёт каждый отрезанный проводок :)
Saradon
07.02.2015
Спасибо.
Так гораздо проще :)
Осталось купить недостающие детальки.
Постоянные резисторы могу задарить :)
ogonogon
07.02.2015
Anatoly A. Stupakov писал(а)
гающей по струне волны и, как следствие, различные музыкальные эффекты. Какие - да

По-идее там должна быть какая-то эквализация, обычно в подобных схемах потенциометры регулируют обрезку верхних частот.
Хм... Возможно, что и так тоже... Похоже на RC-фильтры.
054026
06.02.2015
а зачем они "откусаны"? ;-)
Saradon
06.02.2015
Каждый труЪ гитарист считает своим священным долгом "усовершенствовать" советские гитары, потому не паянных их практически не найти.
Worker73
07.02.2015
Гитарой Урал можно легко убить человека. Качественная доска, хорошо ее помню))), со времен самодеятельной эстрады уровня заводских ДК)))
Это переключатели П2К. У них группы из трёх контактов средний центральный. При нажиме перемыкаются центральный - передний или центральный - задний.
Я не всегда бываю в инете звони или пиши смс если не отвечу если надо)
При возможности помогу)
www.chipdip.ru/video/id000305632/

sovietguitars.com/e107_plugins/forum/forum_viewtopic.php?309949



Я тут наверно создам темку - дневничок создания лампового усилка , больше негде по тематике) разве на рукоделии - но боюсь выгонят оттуда)
Пардон, я взял схему от Anatoly A. Stupakov, а не первоисточкик , моя не недействительна - удалить не могу, позже сам посмотрю)
Saradon
07.02.2015
Спасибо!
Уралом займусь, как докуплю резюки и кондёры в соответствии со схемой.
Сегодя ковырял Стеллу весь день.
Прислали темброблок почти в сборе, занимался пересадкой.
Все 4 звучка у присланного оказались моно - однокатушечные.
В этих в стереозвучках оказались по одной оборванной катушке - собрал только один звучок.
Для восстановления в заводское состояние буду искать второй стереозвучок. Пока спаял, как смог.
Глючит потенциометр баланса стерео, в итоге потерялся правый канал.
Завтра буду продолжать изыскания.
ogonogon
07.02.2015
Saradon писал(а)
Стелл

какие нафиг стереозвучки???? Хамбакер(с двумя катушками) нужен для того чтобы понизить наводки и на хайгейновом оборудовании гитара не принимала голос америки.
Вы бы хоть с матчастью ознакомились чтоли............
Saradon
07.02.2015
Ты недооцениваешь уровень накуренности советских инженеров.
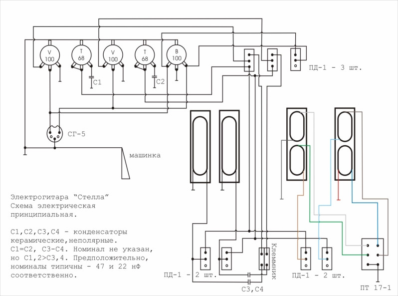
sovietguitars.com/e107_plugins/content/content.php?content.14
Стелла - первая и, возможно, единственная серийная стереогитара :)
Прикол стереозвучка в том, что там две катушки.
По катушке на три струны. Таких звучаов два и разведены они напополам по разным каналам. И два обычных сингла.
Хамбакерами там и не пахнет :)
ogonogon
07.02.2015
0.0 Век живи - век учись и удивляйся. Они там типа вообще наглухо чтоли упарывались?? КАКОЕ НАХРЕН СТЕРЕО В ГИТАРЕ, ЭТО ЖЕ БЛИН ГИТАРА, ЭТО МАТЬ ЕЁ ТОЧЕЧНЫЙ ИСТОЧНИК СИГНАЛА, ЭТО НЕ АНСАМБЛЬ, И НЕ ОРКЕСТР, И НЕ МАТЬ ЕЁ СИАМСКИЙ БЛИЗНЕЦ С ДВУМЯ ГЛОТКАМИ, ЗАЧЕМ ОНИ ЭТО СДЕЛАЛИ?????
Saradon
07.02.2015
Я даже восстановил что-то вроде стереозвука. Однако без второго "стереозвукоснимателя" всё равно не то.
Ну и фонит, разумеется, вся конструкция страшно. Однако я уже научился воспринимать это, как неотъемлеммую часть советской электронники.
Saradon
08.02.2015
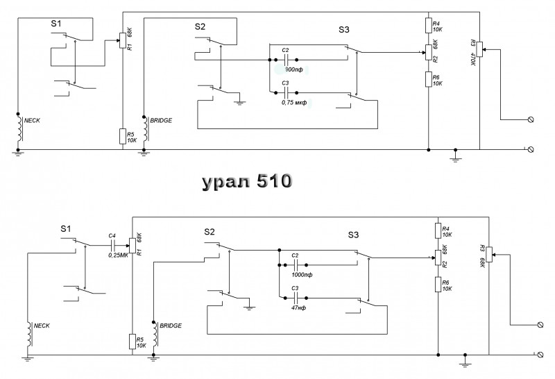
Вот схемка стереогитары, если интересно.
Вроде бы как почти даже без ошибок.
ogonogon
08.02.2015
По определению это не стерео гитара.
"Стереофония[1] или Стереозвук (от др.-греч. ??????? <<стереос>> -- <<твёрдый, пространственный>> и ???? -- <<звук>>) -- запись, передача или воспроизведение звука, при которых сохраняется аудиальная информация о расположении его источника посредством раскладки звука через два (и более) независимых аудиоканала."

Можно разложить сигнал гитары хоть на 4*6=24 канала(с четырёх звучков каждую струну отдельно), но это не будет нести информации о расположении инструмента в пространстве. При том каким образом несёт такую информацию съём отдельно верхних и нижних струн - не понятно.
Да и если раскидать эти каналы действительно на записи как стерео, чтобы в правом были басовые струны, а в левом тонкие, то тоже какая-то лажа. Так конечно иногда располагают рояль, но это совсем другое дело, два или более микрофона позволяют свести звук так, чтобы рояль плавно перетекал из левого канала в правый по мере увеличения основной частоты ноты. Так что это не стереогитара, это упоротое з*луподелие совков.
Saradon
08.02.2015
Ну я, как-бы, и не настаиваю :)
Относительно темы. Может быть я ошибаюсь, а что если в исходном рисунке пропущен один контакт кнопки.(красным) Тогда схема выглядит несколько по другому. Тогда когда s2 и s3 нажаты с NECK пойдут только верха а-ля подобие щелчок))
Согласен с тем что впоследствии темброблок надо другой не стоковый.
ogonogon
07.02.2015
Я считаю, что вам не следует восстанавливать схему, тем более что это устаревшие технологии. В интернетах полно схем коммутации звукоснимателей для гитар, активных, пассивных, рельсовых хамбов, так что уж на два сингла(это ведь они??) думаю найдётся схемка. И купите новые комплектующие, на старых точно далеко не уедете, винтаж конечно, но едва ли он доставит.
Saradon
07.02.2015
Да можно, конечно, поставить новые комплектующие, разводку JazzBass сделать, даже звучки новые поставить...
Но тут, действительно, винтаж ценнее.
Если что-то глобально переделывать - то проще купить китайский Fender за 9 тыс. и не париться.
www.youtube.com/watch?v=QNlsU18jMR0
ogonogon
07.02.2015
В общем по-поводу сабжа. при отжатой кнопке S3 у вас конденсатор С3 работает в качестве колебательного контура совместно с датчиком, и это меняет собственные резонансные частоты датчика, на звуке отражается просто - частотка просто изменится, а как я точно сказать не могу, рискну предположить что в басовитую сторону.
А при нажатой кнопке у вас отключается колебательный контур(но резонансы никуда не уходят, у вас есть ещё кабель гитары который представляет из себя конденсатор, они будут просто другие), и включается конденсатор c2, это как я понимаю фильтр первого порядка, изменяет частотную характеристику, режет верхи по моей догадке(вроде бы так должен работать конденсатор при таком включении).
могу предположить, что в пол.1 съёмник имеет резонантный контур через С3, а в пол.2 не имеет этого контура, но отдаётся через С2.
что-то типа фуза?
если узнать назначение переключателей - станет понятнее :о)
Мне это так представляется со своей колокольни)
"Фуз" это ограничение, в темброблоке нет нелинейных элементов - эффект отсутствует.
Звукосниматели имеют разную тембровую окраску(лучше всего снимать с них оригинальный сигнал а обрабатывать во внешнем устройстве).

Описываю по моёй последней предполагаемой схеме.

Звукосниматель 1(ближе к грифу) обладает мягким басовым звуком. Звукосниматель 2 (ближе к подставке) баса выдаёт меньше, а высоких обертонов больше, звук более резкий)

Поэтому нажав S1 мы получим со звукосн 1 характерное для бас гитары мягкое естественное звучание.

У звукоснимателя 2, когда S2 нажат а S3 нет, выдаётся некое "среднечастотное" звучание, регулированием R2 мы можем добавлять звучание звук 2 к звук1 и получать некий смешанный тембр("низко - средний")) Фу!)))

Наконец когда S2 и S3 нажаты с звук 2 выдаётся короткий резкий высокочастотный "щелчок" - наиболее эффектно с медиатором. В сочетании с резкой атакой щелчком со звук 2 вначале, продолжается бас звук со звук 1. Реализованное в данном темброблоке эффект выглядит убогим)

Лично мне больше нравиться звук с звучка1)))
Saradon
08.02.2015
s1 и s2 включают датчики s3 срезает низы у бриджевого датчика потенциометры регулируют r1 r2 громкость датчиков r3 общая громкость

могу сказать ещё что конденсатора с1 нет

Вот так вот мне отписались.
Парень утверждает, что всё исключительно заводское.
ЕМНИП, я где-то читал, что два потенциометра регулируют громкость каждого из звучков, а третий - общий тембр, что расходится с описанным выше.
Моё последнее прочтение схемы в шапке темы выспамшись мне кажется более предпочтительным и не имеющим противоречий.
Визуально на корпусе гитары всё просто и логично. S1 и S2 собственно включают 1зв и 2зв а S3 переключает характер тембра 2зв. R3 всего лишь общая регулировка громкости (микшер) для обоих зв и ничем другим оно быть не может. R1 и R2 в основном регулируют громкость соответствующего зв, какого то внятного регулирования тембра из за примитивной схемы они не производят. Регулировка тембра непосредственно на гитаре как раз и происходит выбором уровня каждого зв ну и S3.

Всё же при вращении R1и R2 частотная отдача соответствующего звукоснимателя изменяется. У зв1 - C1 и R1+R5-Rостальной части схемы и входа усилителя - представляют собой простейший фильтр высших частот(к примеру tel-spb.ru/rc.html ) Навскидку в нижнем положении движка R1 верхов прибавиться а низов убавиться, может это будет незаметно на слух. Наверняка схема рассчитана)) и есть частичная компенсация при вращенииR1.
С1 0,25мк в общем то и не особо нужен. Предполагаю что он выравнивает отдачу струн ограничивая низшие частоты.. Толстые дают более сильный сигнал - подстраивается дополнительно сердечниками или наклоном ЗВ.

У зв2 в положении S3 нажато(также RC фильтр ФВЧ), также в нижнем положении движка R3 доля ВЧ должна увеличиваться. В первом приближении из за небольшой 1000пф ёмкости С2 уровень сигнала с зв2 в этом положении S3 должен быть небольшим.
Как то так) Могу сказать что простые схемы более сложны в регулировки потому что параметры нельзя там подстроить независимо.
Saradon
08.02.2015
Вот такую ещё зарисовку заводской распайки мне прислали.
Без стакана, конечно, не разбраться, но для гуманитария не плохо.
Я попозже сличу на совпадение, а сейчас я ухожу из инета, некогда.
Действительно простейшая схема, а без стакана не разберёшься.)
Начал сравнивать твою распайку, схему, и этого гуманитария.
Потом продолжу. Вроде схватывается пока, но некоторые неясности.
Промежуточный рабочий чертёж.
насчёт номиналов конденсаторов - я могу выдать для подбора - сам попробуешь на звук потом, перепаять недолго.
И выходной регулятор громкости 470 ком - отличается от схемы, но может быть так и есть. Хотя наводки при таком высоком сопротивлении( и вход усилителя должен быть высокоомным.
Если ты не знаешь у переменных резисторов - различный вид характеристик, radiofun.ru/resistors/variable.html )
Saradon
08.02.2015
Поизучав схемки и описания я пришёл к выводу, что в то время в гитары пихали то, что было тогда под рукой. Потому в двух одинаковых гитарах иогут стоять совершенно различные компоненты и, даже, разная распайка.
Saradon
08.02.2015
В ответ на вопрос, что за деталь между 3 и 5, под конденсатором, было прислано это фото ----->
Я так понимаю, это тоже конденсатор?
А вот это надо посмотреть, а то я по рисунку сдаваться собрался. Что нестыковка "3" и "В"по рисунку.
Я пока делаю паузу, вопросы будут напишу, если ты до той поры сторонними методами не разберёшся.
Снимок пока мне ясности не принёс, потом напишу чего как.
Saradon
09.02.2015
Похоже, что зелёный кусочек, всё-же, изолента.
Saradon
09.02.2015
Ещё пару фото.
Судя по параметрам - оранжевый кондёр всего 8,2 НаноФарад.
Что-то совсем мало для такой баночки.
Емкость его должна быть 0,75 мкф, вторая строчка наверно группа термостабильности vicgain.sdot.ru/kondenr/kondr.htm
Другой зелён кондер вероятно 900 пф.
вот снимок кондёра на 1 мкф
здесь простенькая прога для черчения электросхем sPlan_6 . Есть и седьмая версия если надо.
Там в архиве также для примера сделанная схема в формате проги. Прога может экспортировать схемы в растровые рисунки.
К сообщению прикреплен файл:
113148409-san_6.0.0.1_full_rus__1.rar   (1.78 Mb)   Скачать файл
Saradon
10.02.2015
Спасибо.
Я как-то пробовал - что-то не пошло у меня схемы чертить :)
Я себя тоже больше к гуманитариям отношу, потому монтажная схема мне проще, чем принципиальная.
За детальками сегодня, может, заеду в 1Ом на гордеевку.
Если будет актуально- ближе к выходным подберу кондёры для пробы вариантов и немного тонкого экранированного фторопластового провода для монтажа. постоянные резисторы могу дать.
Монтажная схема тебе не нужда как я понял.
Saradon
11.02.2015
Собрал по этой схеме.
Только конденсаторы от балды взял.
Работает.
www.youtube.com/watch?v=6Zl3fKaYa4g

Вот тук видно как мужик жмёт на кнопки.

Вообщем так, я тут испохабил всю тему своими рисунками. )Сделаем так. Я сделаю новый чертёж где всё будет повёрнуто как на рисунке который тебе прислали. Тебе будет легче списываться с автором-гуманитарием. В случае чего будем ему вопросы - маркировка будет как у него - должен понять их.
Интересно что во всём инете нет схемы путной урала 510 - надо же.) На неделе будет не очень много времени - потихоньку одолеем как нибудь.
Я нарисовал принципиальную схему с присланного рукописного рисунка, получилось тоже самое, чуть чуть разводка другая. Позже нарисую окончательно монтажную схему.
А С1 можно потом решить ставить или нет, номиналы других конденсаторов можно уточнить. Главное схема одинаковая из двух источников и проблема практически решена.
Saradon
09.02.2015
Набросал монтажную схемку.
Схеморисовтель из меня так себе...
Принимаются исправления и дополнения.
Новая тема
Вы не можете создавать новые темы.
Т.к. вы неавторизованы на сайте. Пожалуйста назовите себя или зарегистрируйтесь.
Список тем
Последние темы форумов
Форум Тема (Автор) Последний ответ Ответов
Материнские платы на запчасти и не только

Материнские платы на запчасти и не только Материнские платы и другие комплектующие Отправка в регионы после оплаты. Транспортной...
Цена: 3 000 руб.

Принтер лазерный HEWLETT PACKARD HP-6L

Принтер лазерный HEWLETT PACKARD HP-6L Отправка в регионы после оплаты. 3штуки БУ. Внешний вид из магазина простояли на складе...
Цена: 4 500 руб.

Компьютерные и для оргтехники разъёмы

Компьютерные и для оргтехники разъёмы для различной коммутации. переходники . Назначение мне не известно. В наличии 13шт...
Цена: 1 500 руб.

Игровой компьютер с монитором

i7 3770 palit gtx 1070 8gb 2ssd ( 120, 465 ) 1hdd ( 1tb ) бп - zalman zn500-gs2 монитор в комплекте
Цена: 25 000 руб.